Описание
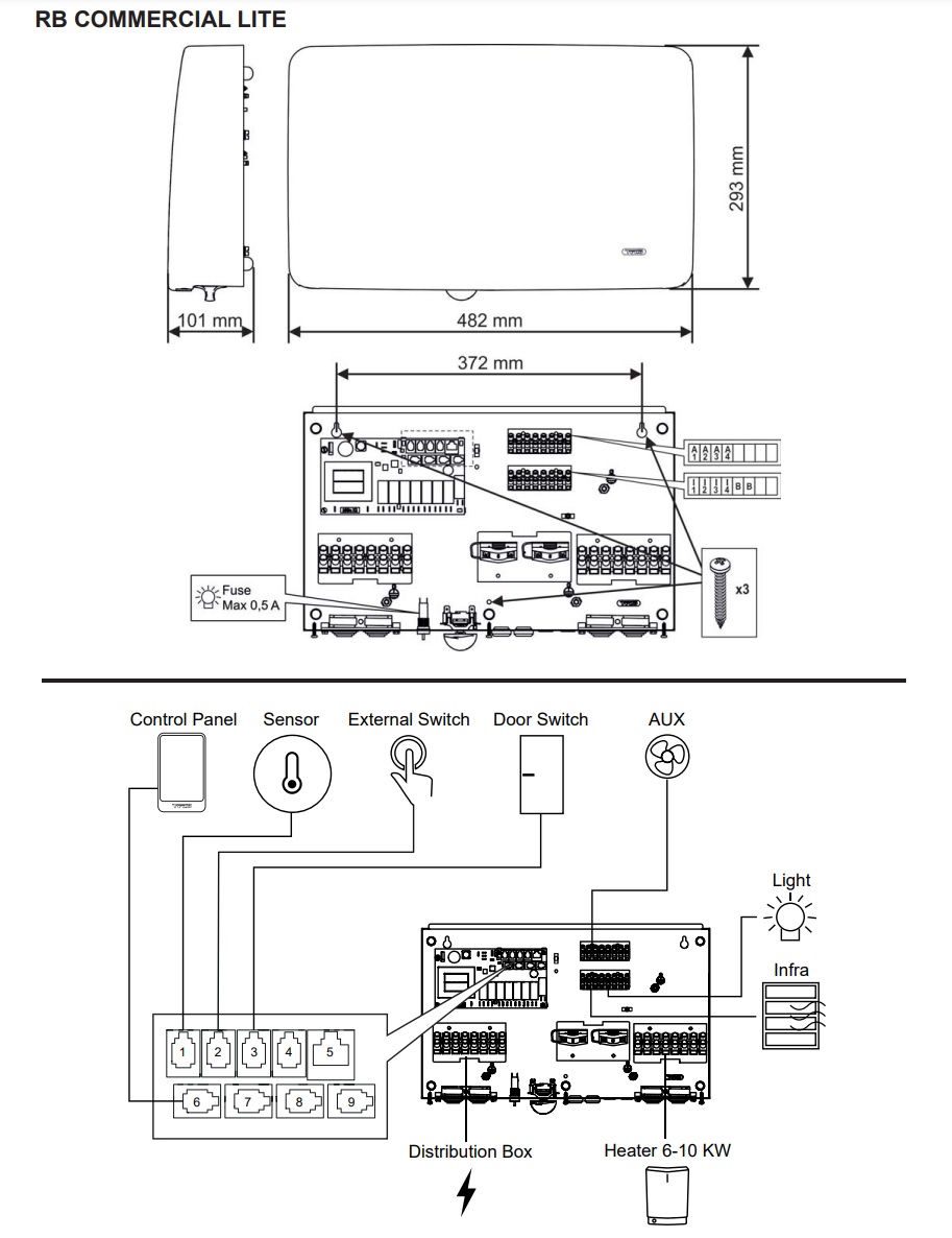
Релейный блок Relay box Lite
Релейный блок Commercial Lite предназначен для управления совместно с панелями управления Elite и Pure и подходит для нагревателей сауны Expression и Sense Commercial мощностью 10,7 кВт.
Релейный блок имеет подключение для 1 освещения, 1 вспомогательного подключения, 1 комплекта инфракрасных нагревателей.
В комплект входит дверной контакт с 5-метровым кабелем.
В комплект входит датчик температуры с 4-метровым кабелем.
Если у вас есть Elite/Pure и релейный блок Commercial Lite, вы также можете управлять старыми моделями нагревателей Tylö SK 6,6 кВт, 8 кВт и SD/SDK 10,7 кВт. Поддержка Tylarium (нагреватель сауны + 1 парогенератор).
Размеры: 485x295x110 мм (ШxВxГ).







