Описание
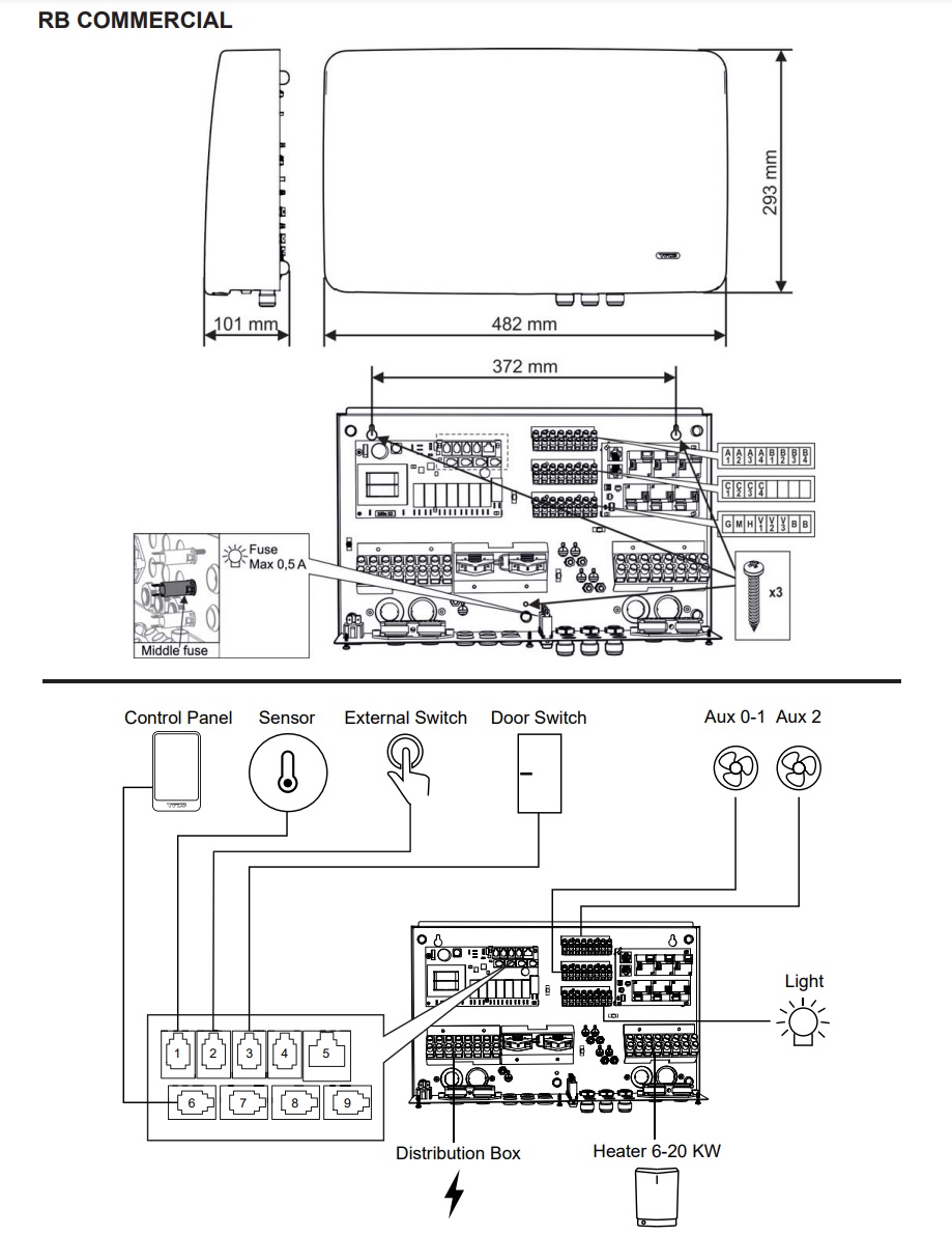
Релейный блок Relay box Commercial
Релейный блок Commercial предназначен для управления совместно с панелями управления Elite и Pure и подходит для нагревателей сауны Expression и Sense Commercial мощностью 16–20 кВт.
Релейный блок имеет подключение для 1 освещения, 3 дополнительных подключений.
В комплект входит дверной контакт с 5-метровым кабелем каждый.
Датчик температуры с 4-метровым кабелем входит в комплект.
Если у вас есть Elite/Pure и релейный блок Commercial, вы также можете управлять старыми моделями нагревателей Tylö SK 6,6 кВт, 8 кВт и SD/SDK 10,7 кВт, 16 кВт и 20 кВт. Поддержка Tylarium (нагреватель сауны + 1 парогенератор).
Размеры: 485x295x110 мм (ШxВxГ).







